Sidebar

0585023, BRP, Evinrude/Johnson Temp Switch, Port - USED

: In stock

: TEMP SWITCH

: BRP

$115.00 $204.55

QUESTIONS & ANSWERS

Have a Question?

Be the first to ask a question about this.

Ask a Question

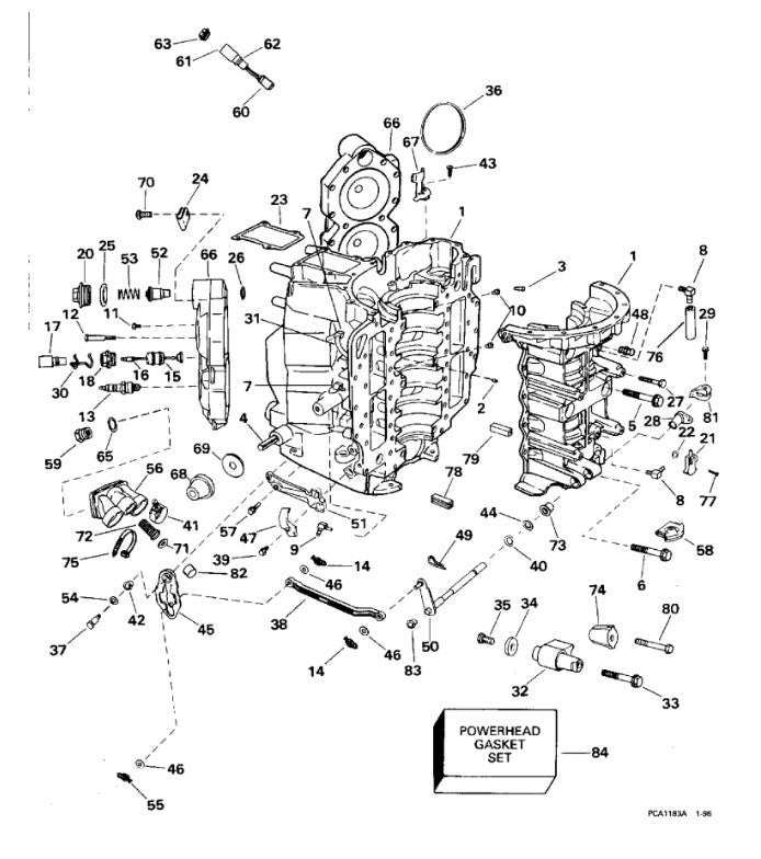
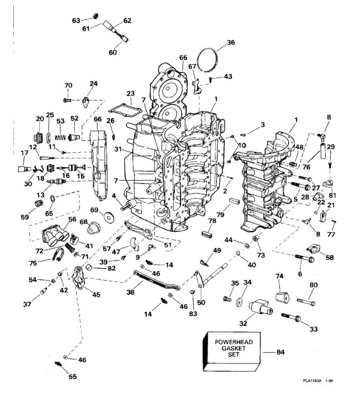
Genuine BRP, Evinrude/Johnson Marine Part

BRP Part #: 0585023, Port Temp Switch

Genuine New Old Stock, been used but in good condition.

Used across various models & years.

When purchasing, if you don't know the part number is right for your motor, it's important to verify the specific model, serial number, and year of your outboard engine, as different models may have variations. Contact us with these details and we will endeavor to help with the order.

0585023, BRP, Evinrude/Johnson Temp Switch, Port - USED

$115.00 $204.55