Sidebar

Lonestar, Wiring Loom, 1000L Boats to 8M

: In stock

: ANCHOR WINCH

: LONESTAR

$384.75 $405.00

QUESTIONS & ANSWERS

Have a Question?

Be the first to ask a question about this.

Ask a Question

Category:

Tags:

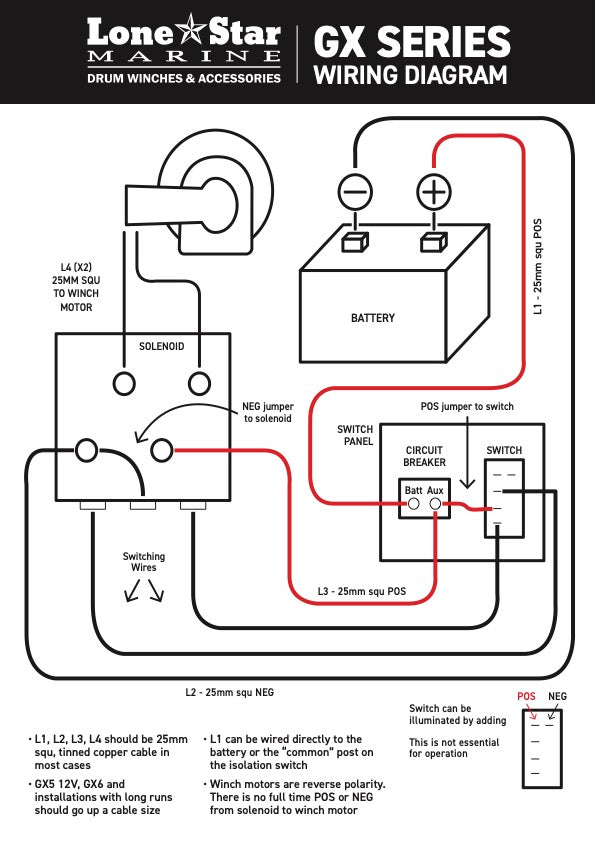
All anchor winches must be wired in to operate. A “Wiring Loom” is a set of premade cables cut to length complete with tinned lugs and epoxy filled heat shrink. The staff at Lone Star Marine are wiring loom specialists with many thousands of both generic and custom looms made annually for customers in every type of vessel. We do not use imported cable! LSM Australia Looms are made using Premium Oxygen Free Australian Made Tinned Copper Cable, Alco H/D tinned lugs, and dual wall epoxy filled heat shrink. All Looms can be custom made for your boat or are also available in generic configurations.

Every anchoring system has to be wired in to operate. LSM Australia looms are made using tinned marine grade Australian Made oxygen free cable, H/D tinned copper lugs and epoxy filled heatshrink. These premade looms are a simple “plug and play” system saving hours on installation. The staff at Lone Star Marine are wiring loom specialists with many thousands of both generic and custom looms made for customers annually for every type of vessel.

Please see below for standard generic looms. Custom Looms can also be made for centre console and other non-standard boat configurations. Your retailer will require the “L” lengths
below before ordering. Note all LSM winches must be wired using the recommended cable size as noted in the installation manual. Please specify for GX or Elite winch.

All LSM wiring looms are rated for winches to 2500W.

We only use quality HD tinned lugs and dual wall epoxy filled heat shrink.

Loom Measurements

L1. Battery to Switch Panel

Switch Panel mounting area of 100 x 100mm. This should be located to the left or above the steering position.

L2. Battery to Solenoid

Solenoid can be mounted in a dry place anywhere between the Switch Panel and winch motor, but must be installed upright. Size is appr. 110x60x110. There will be four cables attached to the top.Under the dash or near winch motor is ideal.

L3. Switch Panel to Solenoid

L4. Solenoid to Winch Motor

Supplied installation instructions feature Placement Diagram & Switch Panel Template for easy installation.

Product Range-Generic Looms for Half Cab and Runabout Style Boats

1000XS Loom, boats to 5.5m

L1-4.5m, L2-4.5m, L3-1m, L4-2.5m

1000S Loom, boats to 6.5m

L1-5.8m, L2-5.8m , L3-1m, L4-3.2m

1000L Loom, boats to 7.5m

L1-6.5m, L2-6.5m, L3-1m, L4-3.8m

Lonestar, Wiring Loom, 1000L Boats to 8M

$384.75 $405.00